SVG Comparison
Introduction
This document explains the concepts behind SVG comparison using samples. The sample resources and a description on how to run it can be found at: https://bitbucket.org/deltaxml/svg-comparison/src/master/.
XML Compare SVG Comparison is an XML based SVG comparison.
SVG Comparison has been introduced in XML Compare 13.0, with the addition of advanced SVG being featured in XML Compare 14.1.
The main features are:
Inline, Referenced, and Standalone SVG image comparison.
Different granularity levels:
ADJACENT - Reports differences in the SVG by displaying A and B inputs adjacent to each other.
DETAILED_ADJACENT - Reports differences in the SVG by displaying the A and B inputs adjacent to each other with individual changes highlighted using bounding boxes.
ANIMATE_INLINE - Reports SVG differences by animating them to fade inputs in and out using a change to the opacity from 1 to 0 for delete and 0 to 1 for add
Z-Index change - Differentiation in the representation of Z-index change/moved elements.
Numeric Tolerance - Coordinate change smaller than a specified percentage/size can be ignored.
Fallback - When change is above a percentage threshold, DETAILED_ADJACENT comparisons fallback to ADJACENT granularity.
Customizable fallback percentage threshold.
User-defined style for change representation.
How it works
Using XML Compare's SVG comparison, by default users will get an output showing the A & B SVGs side by side with added <rect> elements creating bounding boxes to highlight change. The added <rect> elements include a deltaxml:svgBoundingBoxId to distinguish the additional change markup elements from original elements.
SVG comparison is enabled by default.
We have found in testing that Google Chrome and safari are best for rendering compared SVGs. Firefox is suitable for rendering however it handles experimental features for SVG which are not considered in XML Compare SVG comparisons and may show results differently.
See the DCP Schema Guide and Javadoc for details of SVG comparison configuration options.
Examples
Example 1: Inline, Referenced, and Standalone SVG images
In terms of SVG comparison, we distinguish between inline, referenced, and standalone SVG images.
Inline SVG
This is where the SVG itself is embedded within the file being compared.
Referenced SVG
This is where the SVG is stored as a separate SVG file, with file extension .svg, and referenced within the files being compared.
Standalone SVG
This is where a SVG file (with file extension .svg) is the input, i.e <svg> is the root element
1.1 Inline SVG Image
The following example is designed to show a comparison of inline SVG images within HTML.
example1_1A.html
<?xml version="1.0" encoding="UTF-8"?>
<!DOCTYPE html>
<html lang="en" xmlns="http://www.w3.org/1999/xhtml">
<head><title/></head>
<body>
<div>
<svg width="500" height="500" xmlns="http://www.w3.org/2000/svg">
<g>
<ellipse ry="88" rx="123.5" id="svg_1" cy="193" cx="161" stroke="#000" fill="none"/>
<ellipse ry="88" rx="123.5" id="svg_3" cy="197" cx="338" stroke="#000" fill="none"/>
<text xml:space="preserve" text-anchor="start" font-family="'Roboto Mono'" font-size="24" stroke-width="0" id="svg_4" y="90" x="146.5" stroke="#000" fill="#000000">A</text>
<text xml:space="preserve" text-anchor="start" font-family="'Roboto Mono'" font-size="24" id="svg_5" y="93" x="335.5" stroke-width="0" stroke="#000" fill="#000000">B</text>
<ellipse ry="88" rx="123.5" id="svg_6" cy="284" cx="249" stroke="#000" fill="none"/>
<text xml:space="preserve" text-anchor="start" font-family="'Roboto Mono'" font-size="24" id="svg_7" y="405" x="243.5" stroke-width="0" stroke="#000" fill="#000000">C</text>
</g>
</svg>
</div>
</body>
</html>
example1_1B.html
<?xml version="1.0" encoding="UTF-8"?>
<!DOCTYPE html>
<html lang="en" xmlns="http://www.w3.org/1999/xhtml">
<head><title/></head>
<body>
<div>
<svg width="500" height="500" xmlns="http://www.w3.org/2000/svg">
<g>
<ellipse ry="88" rx="123.5" id="svg_1" cy="193" cx="161" stroke="#000" fill="none"/>
<ellipse ry="88" rx="123.5" id="svg_3" cy="197" cx="338" stroke="#000" fill="none"/>
<text xml:space="preserve" text-anchor="start" font-family="'Roboto Mono'" font-size="24" stroke-width="0" id="svg_4" y="90" x="146.5" stroke="#000" fill="#000000">A</text>
<text xml:space="preserve" text-anchor="start" font-family="'Roboto Mono'" font-size="24" id="svg_5" y="93" x="335.5" stroke-width="0" stroke="#000" fill="#000000">B</text>
</g>
</svg>
</div>
</body>
</html>
Inputs (Rendered HTML in Chrome)


Result (Rendered HTML in Chrome)

1.2 Referenced SVG Image
Referenced SVG Comparison is where a document contains a link to a separate file containing an SVG image. The format of the result remains as a referenced SVG pointing to a generated output SVG file in the same location as the B input source SVG file.
The following example is designed to show a comparison of referenced SVG images within HTML.
example1_2A.html
<?xml version="1.0" encoding="UTF-8"?>
<!DOCTYPE html>
<html lang="en" xmlns="http://www.w3.org/1999/xhtml">
<head>
<title></title>
</head>
<body>
<div>
<img src="example1_2A.svg" />
</div>
</body>
</html>
example1_2A.svg
<svg width="500" height="500" xmlns="http://www.w3.org/2000/svg">
<g>
<ellipse ry="88" rx="123.5" id="svg_1" cy="193" cx="161" stroke="#000" fill="none"/>
<ellipse ry="88" rx="123.5" id="svg_3" cy="197" cx="338" stroke="#000" fill="none"/>
<text xml:space="preserve" text-anchor="start" font-family="'Roboto Mono'" font-size="24" stroke-width="0" id="svg_4" y="90" x="146.5" stroke="#000" fill="#000000">A</text>
<text xml:space="preserve" text-anchor="start" font-family="'Roboto Mono'" font-size="24" id="svg_5" y="93" x="335.5" stroke-width="0" stroke="#000" fill="#000000">B</text>
<ellipse ry="88" rx="123.5" id="svg_6" cy="284" cx="249" stroke="#000" fill="none"/>
<text xml:space="preserve" text-anchor="start" font-family="'Roboto Mono'" font-size="24" id="svg_7" y="405" x="243.5" stroke-width="0" stroke="#000" fill="#000000">C</text>
</g>
</svg>
example1_2B.html
<?xml version="1.0" encoding="UTF-8"?>
<!DOCTYPE html>
<html lang="en" xmlns="http://www.w3.org/1999/xhtml">
<head>
<title></title>
</head>
<body>
<div>
<img src="example1_2B.svg" />
</div>
</body>
</html>
example1_2B.svg
<svg width="500" height="500" xmlns="http://www.w3.org/2000/svg">
<g>
<ellipse ry="88" rx="123.5" id="svg_1" cy="193" cx="161" stroke="#000" fill="none"/>
<ellipse ry="88" rx="123.5" id="svg_3" cy="197" cx="338" stroke="#000" fill="none"/>
<text xml:space="preserve" text-anchor="start" font-family="'Roboto Mono'" font-size="24" stroke-width="0" id="svg_4" y="90" x="146.5" stroke="#000" fill="#000000">A</text>
<text xml:space="preserve" text-anchor="start" font-family="'Roboto Mono'" font-size="24" id="svg_5" y="93" x="335.5" stroke-width="0" stroke="#000" fill="#000000">B</text>
</g>
</svg>
Rendered HTML (in Chrome)


Result (Rendered HTML in Chrome)

1.3 Standalone SVG Image
Standalone SVG Comparison is where the SVG itself is the input file, i.e <svg> is the root element. The format of the result remains as a standalone SVG and the output can be with either the .xml or .svg file extension.
The following example is designed to show a comparison of standalone SVG images.
example1_2A.svg
<svg width="500" height="500" xmlns="http://www.w3.org/2000/svg">
<g>
<ellipse ry="88" rx="123.5" id="svg_1" cy="193" cx="161" stroke="#000" fill="none"/>
<ellipse ry="88" rx="123.5" id="svg_3" cy="197" cx="338" stroke="#000" fill="none"/>
<text xml:space="preserve" text-anchor="start" font-family="'Roboto Mono'" font-size="24" stroke-width="0" id="svg_4" y="90" x="146.5" stroke="#000" fill="#000000">A</text>
<text xml:space="preserve" text-anchor="start" font-family="'Roboto Mono'" font-size="24" id="svg_5" y="93" x="335.5" stroke-width="0" stroke="#000" fill="#000000">B</text>
<ellipse ry="88" rx="123.5" id="svg_6" cy="284" cx="249" stroke="#000" fill="none"/>
<text xml:space="preserve" text-anchor="start" font-family="'Roboto Mono'" font-size="24" id="svg_7" y="405" x="243.5" stroke-width="0" stroke="#000" fill="#000000">C</text>
</g>
</svg>
example1_2B.svg
<svg width="500" height="500" xmlns="http://www.w3.org/2000/svg">
<g>
<ellipse ry="88" rx="123.5" id="svg_1" cy="193" cx="161" stroke="#000" fill="none"/>
<ellipse ry="88" rx="123.5" id="svg_3" cy="197" cx="338" stroke="#000" fill="none"/>
<text xml:space="preserve" text-anchor="start" font-family="'Roboto Mono'" font-size="24" stroke-width="0" id="svg_4" y="90" x="146.5" stroke="#000" fill="#000000">A</text>
<text xml:space="preserve" text-anchor="start" font-family="'Roboto Mono'" font-size="24" id="svg_5" y="93" x="335.5" stroke-width="0" stroke="#000" fill="#000000">B</text>
</g>
</svg>
Rendered HTML (in Chrome)


Result (Rendered HTML in Chrome)

Example 2: SVG Granularity Levels
To optimize the results of SVG image comparison, we provide different granularity levels to customize, and produce the best result.
2.1 ADJACENT
Adjacent SVG comparison is suited for SVG images with significant changes, the result showing the A and B SVG inputs adjacent to one another. A & B inputs are highlighted by default with red and green dashed outlines respectively, however these colours can be user defined. Adjacent results for SVG comparisons do not include highlighted change, ensuring correctly rendered SVGs and a side by side display of the SVG images to view difference.
Result (Rendered HTML in Chrome)

2.2 DETAILED_ADJACENT
Detailed adjacent SVG comparison is better suited for SVGs with less change. Change in the SVG is represented with adjacent A and B SVG inputs in addition to highlighted change; individual change is highlighted with red and green (unless specified otherwise, see Example 4) bounding boxes, which contain a deltaxml:svgBoundingBoxId to distinguish added <rect> elements from original elements.
If percentage change to the SVG exceeds a threshold, the fallback mechanism can be employed to switch granularity level to ADJACENT (see Example 3).
Detailed Adjacent is the default and recommended setting for SVG comparisons.
Result (Rendered HTML in Chrome)

2.3 ANIMATE_INLINE
Animate Inline reports SVG differences by animating them to fade inputs in and out using a change to the opacity from 1 to 0 for delete and 0 to 1 for add. This setting will override any other SVG configuration.
Result (Rendered HTML in Chrome)
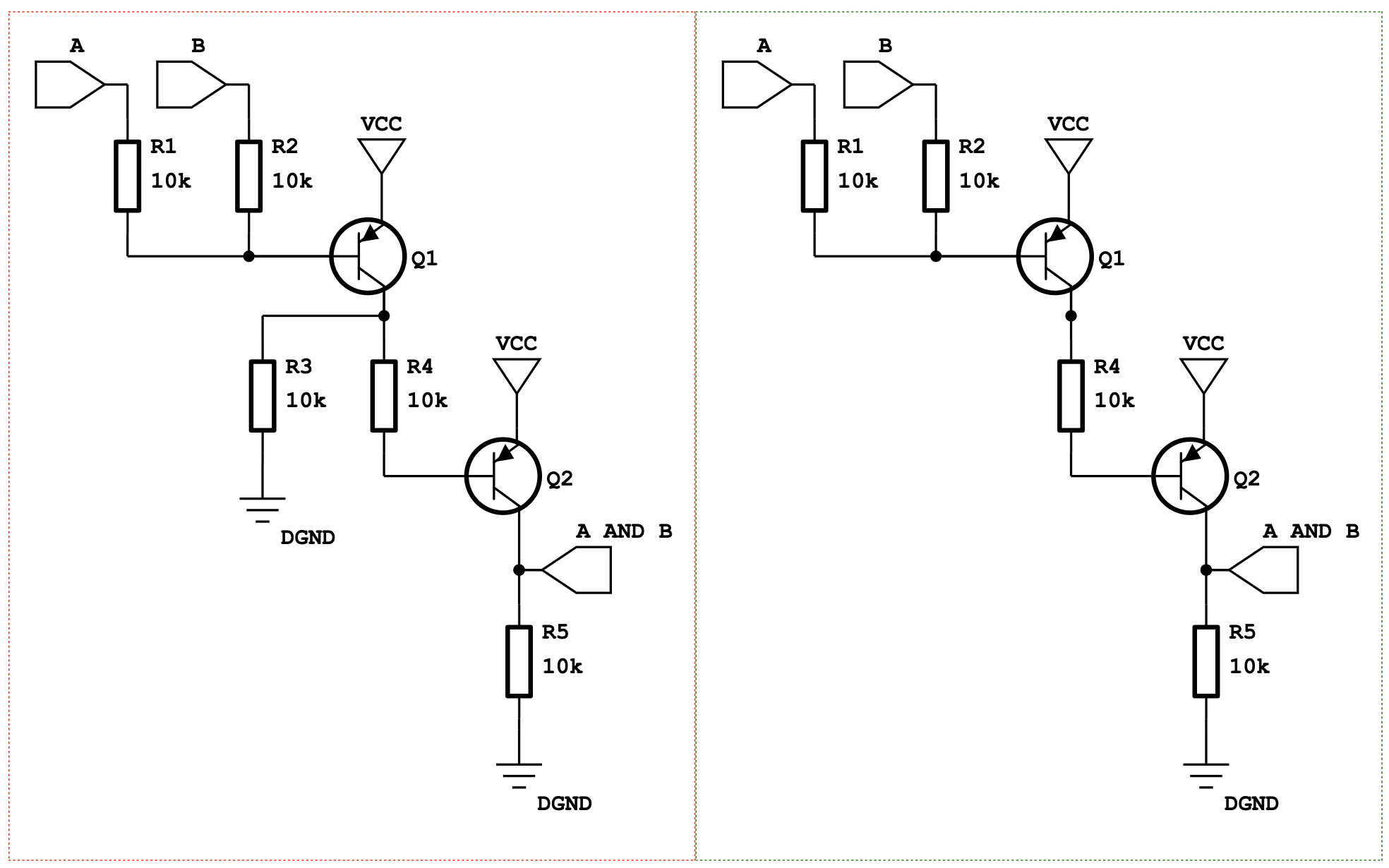
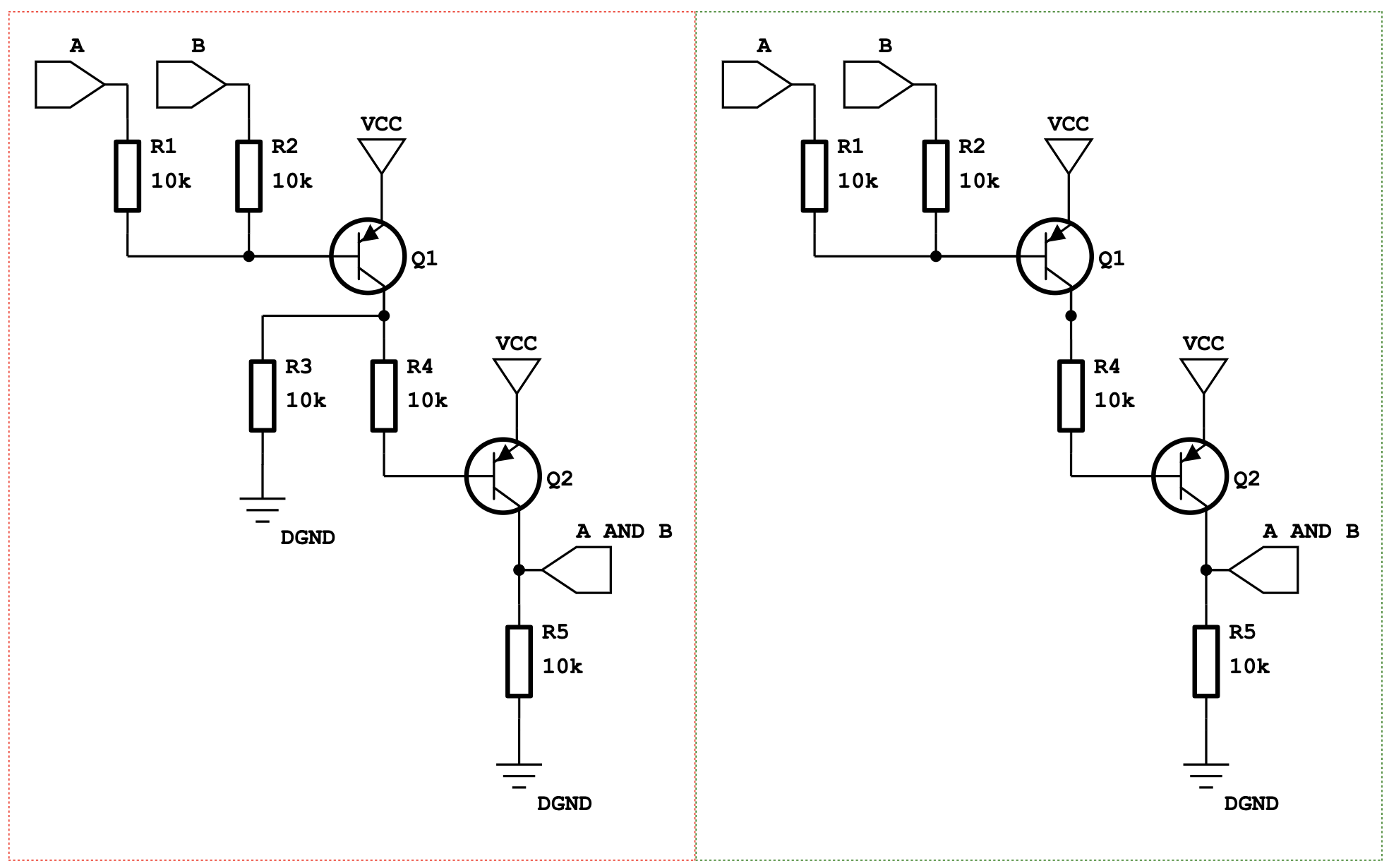
Example 3: Z-index Change
The Z-index within an SVG is defined as the order the element appears in the document, and thus determines the order elements are rendered within an SVG. Elements with only Z-index changes are represented using a purple bounding box opposed to the standard red or green markup. Styling of Z-index change can be customized as shown in Example 6. By default, Z-index handling is on for SVG comparisons.
*NOTE: SVG Compare Z-index change handling implements the Detecting and Handling Moves feature, and matches on the SVG id attribute, using the XPath expression '@id'. User defined move handling cannot be used in conjunction with SVG Compare Z-index Change handling.
Rendered HTML (in Chrome)
A

B

Result Z-Index Enabled (Rendered HTML in Chrome)

Result Z-Index Disabled (Rendered HTML in Chrome)

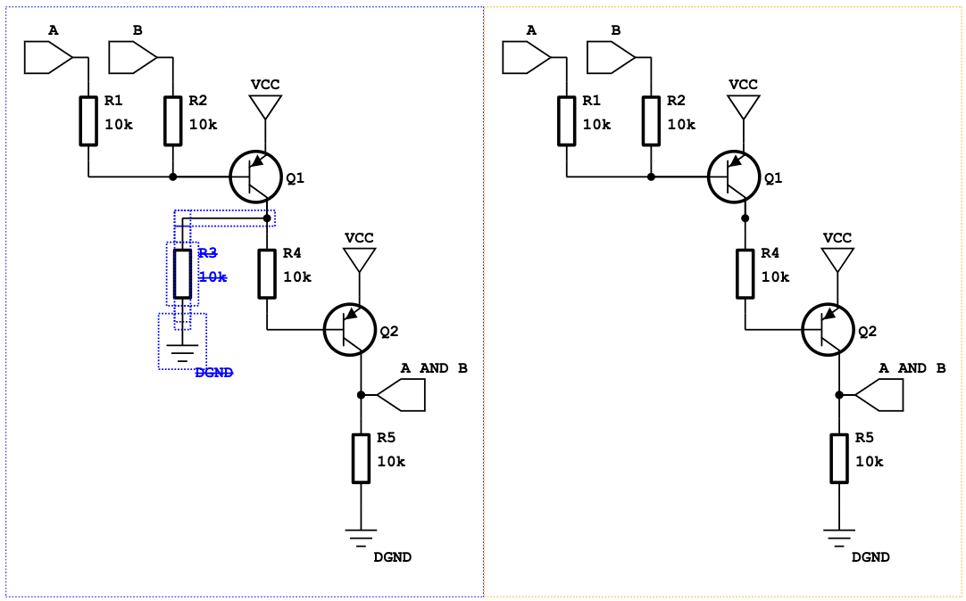
Example 3.1: Z-index change and Element Change
Representation of a Z-index change and a change to the element is shown in the following example. Changes other than Z-index take precedence, which means the element within both the A SVG (source) and the B SVG result (target) is given a respective red/green bounding box.
Rendered HTML (in Chrome)
A

B

Result (Rendered HTML in Chrome)

Example 4: Numeric Tolerance
We found automatically generated SVGs through SVG editors could alter values by insignificant amounts while remaining visually identical, thus the numeric tolerance feature was implemented to not markup negligible change. This is done by checking corresponding coordinate values for individual elements in A & B input SVGs and only marking them as a change when the difference between the 2 values is greater than the specified tolerance.
By default this feature is enabled for SVG comparisons and set to 1%.
Numeric Tolerance Value
The Numeric Tolerance value can be both a fixed value given in the default SVG unit pixels, i.e 10, or as a percentage. When given as a percentage, for example 1%, the difference between corresponding A and B coordinates of a given element is checked to be less than 1% of the B coordinate value. If it less then the change is considered negligible and not highlighted.
To provide more control over SVG comparisons, the numericToleranceValue property can be set to a custom value.
Result Numeric Tolerance default value 1% (Rendered HTML in Chrome)

Result Numeric Tolerance value 5% (Rendered HTML in Chrome)

Example 5: Fallback
To ensure a readable result, SVG comparison includes a fallback feature when running DETAILED_ADJACENT comparisons. In some circumstances, change between both A and B documents can be overwhelming as the bounding boxes added can crowd the SVG leading to results not being meaningful. To combat this SVG compare has a fallback mechanism, where a DETAILED_ADJACENT comparison representation will fall back to an ADJACENT comparison representation if the amount of change in an SVG is above a specified percentage.
The fallback mechanism is turned off by default.
Fallback Change Percentage
The default fallback percentage is set to 30%, therefore when percentage of change in a comparison is greater than 30% fallback will occur and the ADJACENT result will be shown. To provide more control over SVG comparisons, the fallbackChangePercentage property allows a custom fallback threshold to be set. The custom fallback value needs to be provided as a decimal number e.g: "25.0".
Result Without Fallback
Fallback can be enabled when needed, to retain the DETAILED_ADJACENT result irrespective of the fallback percentage.
Result (Rendered HTML in Chrome)

Result With Fallback
Result (Rendered HTML in Chrome)

Example 6: Custom styling for change markup
DeltaXML’s standard representation of change is red and green for additions and deletion, and purple for Z-Index change. In SVG comparison we have kept our standard representation while providing the option to change the markup colours to ensure users can achieve the best results. The colour styling of change markup in both A and B, and Z-index change can be altered. When using the DCP, custom styling can be achieved by using the svgInputAMarkupStyle, svgInputBMarkupStyle, and svgInputZMarkupStyle parameters. These values need to be provided as color names, RGB or RGBA values, HEX values, HSL or HSLA values.
Result A and B Styling Change (Rendered HTML in Chrome)

Result Z-Index Styling Change (Rendered HTML in Chrome)

Design Decisions and Limitations
Example 7: Change propagation with use elements
Within SVGs a common element is <use> which references any other SVG element, duplicating it and (when provided with coordinates) moving it to another location. We decided the best way to markup change surrounding chains of referencing elements was to propagate change along the chain, as change to an element will affect all references to it. As shown in the example below, a change to the initial <ellipse> element will be highlight as change in the element itself and any following elements referencing it, with the same logic being applied from any element in the chain i.e a change to the first <use> element.
Rendered HTML (in Chrome)
example7A.svg

example7B.svg

Result (Rendered HTML in Chrome)

Example 8: Text and TextPath Representation
The following example shows representation of change to Text and TextPath elements in SVG. Changes to the text is shown through the highlighting of text within <text> or <textPath> elements using ‘red’ and ‘green’ coloring for A and B respectively, then ‘purple’ for Z-index change. As stated in Example 3, non Z-index change takes precedence over Z-index changes, thus with both a change to the text and a z-index change, the result will highlight additions and deletions of text with ‘red’ and ‘green’ whilst the remaining text will be 'purple' to indicate the Z-index change.
Rendered HTML (in Chrome)
example8A.svg

example8B.svg

Result (Rendered HTML in Chrome)

Limitations
Due to the scope and complexity of SVG, there are currently some limitations on the comparisons:
Numeric tolerance is not applied on transform attributes.
Numeric Tolerance is only applied on an individual element level.
Matrices used in transform attribute are not handled yet although ‘translate’, ‘rotate’, ‘scale’ are handled.
Nested SVGs are not handled (an SVG inside another SVG).
Font based units are not handled.
We don't support referenced images within SVG i.e a referenced JPEG.
Change styling is limited to colour for now.
Bounding boxes are not proportional to the size of the SVG.